

Metric Hydraulic Pneumatic Fuid Flow Control Diagram Symbols Drawing Drafting Template Stencil The Rate Of Transparency Allows To See The Drawing Medium Below

Hmi Symbol Library Industrial Control Scada Hmi Linux Modbus Opc Aggregate Scada Hmi Process Control Control Engineering Symbols

Efc 0 30 Gpm Electronically Adjustable Proportional Pressure Compensated Flow Control Brand Hydraulics Product Information

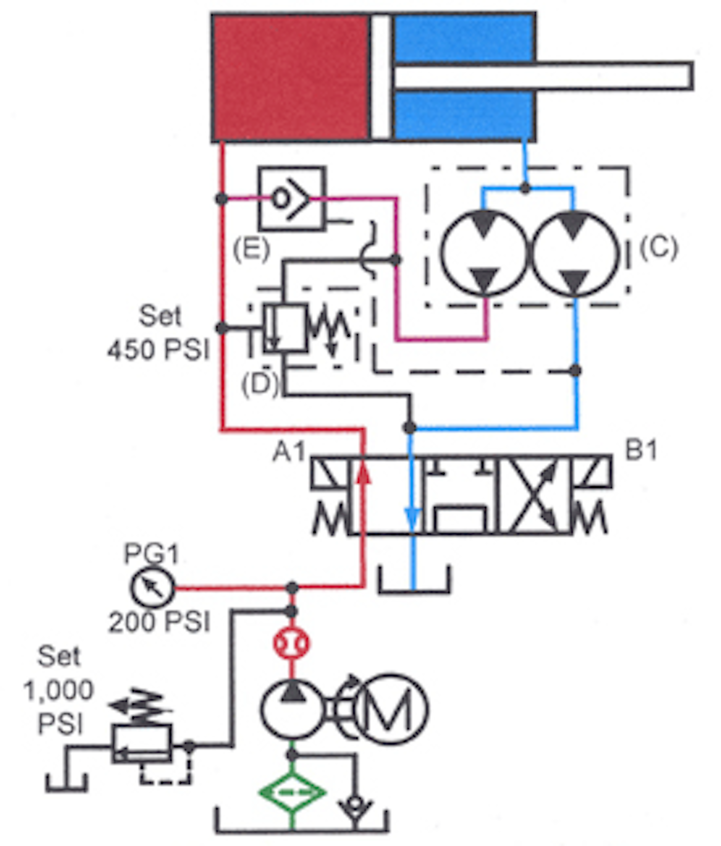
How To Analyze And Troubleshoot Hydraulic Circuit Problems Youtube Hydraulic Systems Hydraulic Pressure Control Valve

Fc 0 30 Gpm Full Range Pressure Compensating Variable Flow Control Brand Hydraulics Product Information




















No comments:
Post a Comment